股票代码  003021
主页 > 预售产品 > 高性能电机系列 > 6mm高性能电机(15)
概述

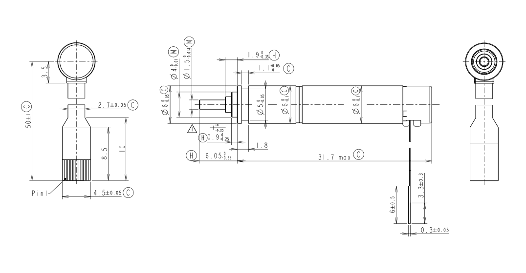
6mm高性能电机(15)

产品型号:GM22030-01

外直径(mm):6

总长度(mm max ):31.7

齿轮箱减速比:729:49(约15:1)

使用电压(VDC):12

空载转速(RPM):4000±15%

空载电流(mA Max):150

负载力矩(gf.cm):50

转速(RPM Min):2000

电流(mA Max):380

噪音:变音小于5dB,稳定后不超出50dB(侧面30CM,环境噪音34dB Max)

电机使用环境温度范围(°C):-40~+100

环保要求:满足RoHS指令规定

FPC PIN定义
PIN1 Winding 1
PIN2 Winding 2
PIN3 Winding 3
PIN4 VHall(3.3-24V)
PIN5 GND
PIN6 HALL 1
PIN7 HALL 2
PIN8 HALL 3
电机参数
电机型号 MC0623Φ6mm空心杯无刷电机
额定电压(V) 12
空载转速(RPM) 63400±10%
空载电流(A) 37±50%
额定转速(rpm) 46800±10%
额定转矩(mNm) 0.425
额定电流(A) 0.308±50%
堵转转矩(mNm) 1.7±7%
堵转电流(A) 0.85±20%
*注:以上具体参数可根据客户要求定制。

设计图纸

热门产品查看更多

资料下载

6mm高性能电机(15)规格书

不朽情缘mg官网 — 微型驱动系统制造商

专注于研发、生产精密驱动系统,为客户提供智能驱动方案设计,零件的生产与组装的定制化服务

立即咨询  >

粤ICP备11019966号     Copyright ? 2023  深圳市不朽情缘mg官网机电股份有限公司  

粤ICP备11019966号
Copyright  2023  深圳市不朽情缘mg官网机电股份有限公司

400-066-2287
服务热线


线

服务热线:400-066-2287
sitemap地图