股票代码  003021
主页 > 预售产品 > 高性能电机系列 > 12mm高性能电机(231)
概述

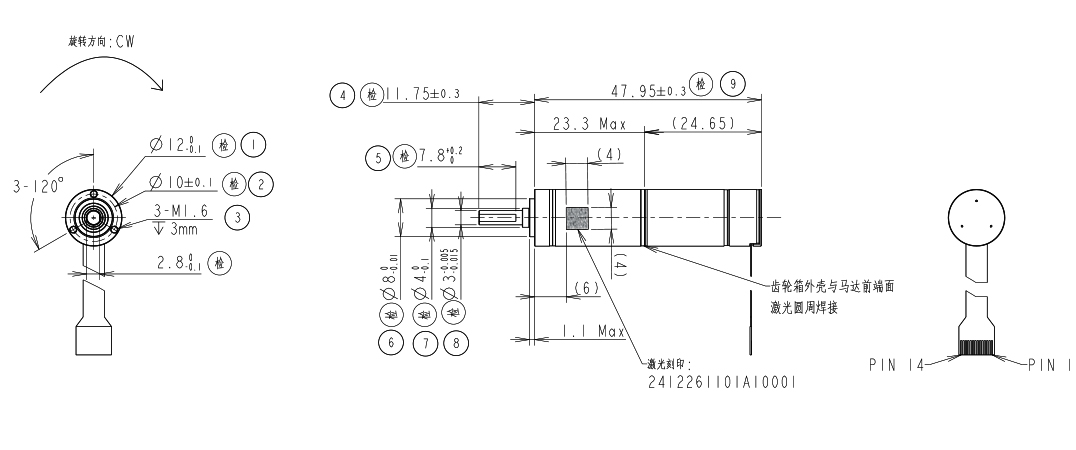
12mm高性能电机(231)

产品型号:ZWSMD012012-231-01

外直径(mm):12

总长度(mm):47.95±0.3

减速比:231:1

额定电压(VDC):12

空载电流(mA MAX.REF):310

空载转速(RPM):90±15%

额定负载(gf.cm):3500

额定转速(RPM):313±12%

额定电流(mA MAX):0.9

最大力矩(gf.cm):10000

空载噪音:稳定后不超出55dB(侧面30CM,无防风罩测试)

空载回差(°MAX):2

电机参数
电机型号 无刷空心杯马达
额定电压(VDC) 12
空载转速(RPM) 28600±10%
空载电流(mA REF) 100
额定负载力矩(gf.cm) 25
额定负载转速(RPM) 20000±10%
额定负载电流(A MAX) 0.8
堵转电流(A MAX) 2.3
堵转力矩(gf.cm MIN) 82
*注:以上具体参数可根据客户要求定制。

设计图纸

热门产品查看更多

资料下载

12mm高性能电机(231)规格书

不朽情缘mg官网 — 微型驱动系统制造商

专注于研发、生产精密驱动系统,为客户提供智能驱动方案设计,零件的生产与组装的定制化服务

立即咨询  >

粤ICP备11019966号     Copyright ? 2023  深圳市不朽情缘mg官网机电股份有限公司  

粤ICP备11019966号
Copyright  2023  深圳市不朽情缘mg官网机电股份有限公司

400-066-2287
服务热线


线

服务热线:400-066-2287
sitemap地图